VIZ8003-Y8440 Explosion-proof Thermal Imaging Dual-spectrum Integrated Camera
Key Features:
- Dual explosion-proof certification with ATEX & IECEx, marked Ex db IIC T6 Gb / Ex tb IIIC T80℃ Db.
- 4MP (2560*1440), 40x optical zoom, 16x digital zoom
- Thermal imaging Resolution: 640(H) × 512(V), Response band: 8-14µm, thermal sensitivity (NETD): ≤40mK
- Offers point, line, area, and full-screen temperature measurement functions.
- Made of 304/316L stainless steel for use in chemical, acidic, and other highly corrosive environments.
Features
Use environment
- It has class IIA, IIBand IIC combustible gases, and the ignition temperature group is zone 1 and zone 2 of T1-T6 group. Places where combustible gases or vapors form explosive mixtures with air,
- 2. It is also applicable to areas 21 and 22 with ignition temperature group T1-T6 and places containing combustible dust mixture.
Such as: petroleum, chemical industry, mine, military industry, medicine, oil depot, ship, drilling platform, gas station, fireworks production, grain processing and storage, etc.
Technical parameters
Product name | Explosion-proof Thermal Imaging Dual-spectrum Integrated Camera | |||||
Thermal Imaging | Types of detectors | Uncooled infrared focal plane sensor | ||||
| Material type | vanadium oxide | ||||
| The original pixel | 640(H) × 512(V) | ||||
| Video resolution | 704(H) × 576(V) | ||||
| Pixel spacing | 12 μm | ||||
| Thermal sensitivity (NETD) | |||||
| Response band | 8~ 14μm | ||||
| Frame frequency output | 25Hz | ||||
| Lens type | fixed focal length | ||||
| Focus mode | Manual focus | ||||
| Focal distance | 9mm | 15mm | 25mm | 35mm | 50mm |
| F price | F1.0 | F1.0 | F1.0 | F1.0 | F1.0 |
| Angle of field | Horizontal:51° , vertical: 42° | Horizontal:28°, vertical: 23° | Horizontal:17°, vertical: 14° | Horizontal:12°, vertical: 10° | Horizontal:8°, vertical: 7° |
| Fire point detection distance (1m*1m) | 375m | 625m | 1042m | 1458m | 2083m |
| Human shape detection distance (1.8*0.5m) | 375m | 624m | 1040m | 1456m | 2081m |
| Vehicle shape detection distance (4.0*1.5m) | 1150m | 1917m | 3194m | 4472m | 6389m |
| Human recognition distance (1.8*0.5m) | 94m | 156m | 260m | 364m | 520m |
| Car shape recognition distance (4.0*1.5m) | 288m | 479m | 799m | 1118m | 1597m |
| Temperature measurement function | Point temperature measurement, line temperature measurement, area temperature measurement, full-screen temperature measurement | ||||
| Temperature measurement alarm | Overtemperature alarm | ||||
| Temperature measurement accuracy | ± 2℃ or ± 2% larger (emissivity, distance, ambient temperature, etc) | ||||
| Temperature measurement response time | ≤ 30ms | ||||
| Temperature measurement range | -20°C ~ 150°C | ||||
PTZ | Rotation range | Horizontal: 360° continuous rotation; vertical: ± 90° | ||||
| Spin velocity | Horizontal: 0. 1° -40° / s, and vertical: 0. 1° -40° / s | ||||
| Preset point | 255 The | ||||
| Preposition accuracy | ±0. 1° | ||||
| Automatic cruise | 4 bars, each bar can add 16 preset points | ||||
| Watch function | Support | ||||
| Double the speed limit | Support | ||||
| Power memory | Support | ||||
| Explosion-proof sign | Ex db ⅡC T6 Gb/Ex tb IIIC T80℃ Db | ||||
| Certificate number | CNEx19.2694X | ||||
| Power supply mode | AC 100V ~ 240V / DC24V 3A (optional) | ||||
| Operating temperature and humidity | -40℃~60℃, humidity less than 90%RH (no condensation) | ||||
General specification | levels of protection | IP68 | ||||
| Case material | 316L stainless steel | ||||
| Integration features | ONVIF, GB28181, SDK | ||||
| SDK develop | Linux C /windows C&C++ | ||||
| Browser | Windows IE, Firefox, Chrome | ||||
| Language | Support 10 languages, English, Chinese, Polish, Italian, Portuguese, Spanish, Russian, French, Czech, Hungarian. English is selected by default | ||||
| Network interface | Built-in RJ45 network port, supports 10M/100M network data | ||||
| Audio interface | 1 audio input, 1 audio output, supports two-way voice (optional) | ||||
| Alarm interface | 1 alarm input, 1 alarm output (optional) | ||||
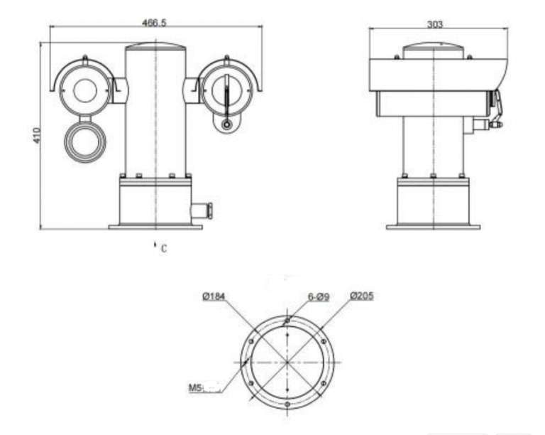
| Outline hole specifications | 1 piece of G3/4″ outlet | ||||
| Way to install | Multiple installation methods available, choose according to the application environment | ||||
| Product weight | ≤30kg | ||||
Explosion-Protected Cameras
Certified for hazardous areas, ExVizo cameras deliver reliable monitoring and safety in Zone 1/Division 1 & 2 environments.Built for performance and durability, they provide clear visibility and peace of mind across industries such as oil & gas, chemical, and marine.
Certified for hazardous areas
Discover more explosion-proof cameras
Certified for hazardous environments, ExVizo offers a full range of explosion-proof cameras and accessories—ideal for reliable monitoring in Zone 1 and Zone 2 areas.
- Exd IIC T6 Gb/Ex tDA21 IP68 T80°
- AC 85–260V, optional DC 12V or PoE
- Lightning, surge protection(316L)
- 5MP camera
- Ex db IIC T6 Gb / Ex tb IIIC T80℃ Db
- High-efficiency IR array, 50m illumination.
- Dual ATEX & IECEx explosion-proof certification
- 4MP, 25x optical zoom, 16x digital zoom
- Exd IIC T6 Gb/Ex tDA21 IP68 T80°
- Pan 0.1–180°/s, tilt 0.1–80°/s
- 4MP, 25x optical zoom, 16x digital zoom
- Exd IIC T6 Gb/Ex tDA21 IP68 T80°
- Dual ATEX & IECEx explosion-proof certification
- 4MP, 4x Optical Zoom, 16x Digital Zoom
- 384×288 thermal imaging, 8–14µm band, NETD <35mK
- Dual ATEX & IECEx explosion-proof certification
- 4MP, 25x optical zoom, 16x digital zoom
- Multi-angle fog/bright IR array with low power and up to 100m illumination
Send us a message
Powering Safety Through Innovation
Our complete range of explosion-proof solutions stands for trust and performance.